服务热线:19857007412
MIK-PTU200 全新款 在线浊度计
MIK-PTU200传感器基于组合红外吸收散射光线法,应用ISO7027 方法可以连续测定浊度。按照ISO7027 红外双散射光线技术不受色度影响测定浊度值。根据使用环境可以选配带自清洗功能。数据稳定,性能可靠;内设自诊功能,保证数据准确;安装和校正简单。
MIK-PTU200 全新款 在线浊度计特点
MIK-PTU200传感器基于组合红外吸收散射光线法,应用ISO7027 方法可以连续测定浊度。按照ISO7027 红外双散射光线技术不受色度影响测定浊度值。根据使用环境可以选配带自清洗功能。数据稳定,性能可靠;内设自诊功能,保证数据准确;安装和校正简单。
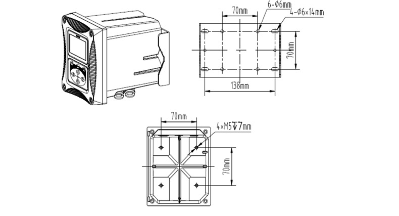
MIK-PTU200控制器用于显示传感器所测得的数据,可以连接数字信号传感器或模拟信号传感器。用户可以通过控制器的界面配置和校准实现4-20mA模拟输出。可以实现继电器控制及数字通讯等功能。和组成的测定仪可以普遍应用于污水厂、自来水厂、水站、地表水、工业等领域浊度监测。


















为了服务好每一位新老客户,为了更好的“以客户为中心”,杭州美控已在全国设立了30多处办事处。我们将更好的服务带到您的身边,将中国过程自动化解决方案应用到每一位需要我们的用户家中。
本公司向用户承诺,本仪表供货时所应提供的硬件、附件在材质和制造工艺上都不存在任何缺陷。从仪表购买之日起开始计算,在质保期内,若收到用户关于此类缺陷的通知,
本公司对确实有缺陷的产品实行无条件免费维修或免费更换。本公司对所有记录仪产品一律保证7天包退1年保修,终身维修。
售后服务承诺:
1、客户的技术疑问,我们承诺在4个小时内处理完毕。
2、返厂维修的仪表我们承诺在3个工作日内出具检测结果,7个工作日内完成维修。
3、仪表返给客户之后2周之内对用户进行回访,并提供自动化相关技术的免费咨询。
售后服务承诺:
1、客户的技术疑问,我们承诺在4个小时内处理完毕。
2、返厂维修的仪表我们承诺在3个工作日内出具检测结果,7个工作日内完成维修。
3、仪表返给客户之后2周之内对用户进行回访,并提供自动化相关技术的免费咨询。










