服务热线:19857007412
LDGR-MIK电磁热量表
电磁热量表主要是对热交换系统中载能介质(液体水)的供水温度、回水温度及瞬时流量进行实时测量,并按照热力学能量计算公式,对系统消耗的冷量或热量值进行计算并保存的装置。其
LDGR-MIK电磁热量表特点
电磁热量表主要是对热交换系统中载能介质(液体水)的供水温度、回水温度及瞬时流量进行实时测量,并按照热力学能量计算公式,对系统消耗的冷量或热量值进行计算并保存的装置。其中电磁式流量传感器是通过法拉第电磁感应定律,将瞬时流量信号线性的变化为感应电动势这一电信号,从而得到瞬时流量信号。计算器将流量信号与温度传感器采集的温度信号进行积算,得出我们需要的能量值。
·热表工作模式、冷表工作模式、冷表热表模式
·MJ/h、GJ/h、KWh/h、MWh/h四种可供选择
·流量输出、热量输出、冷量输出、冷热状态输出、流量方向输出
·16位嵌入式微处理器转换器,全数字处理
·可测任何导电液体


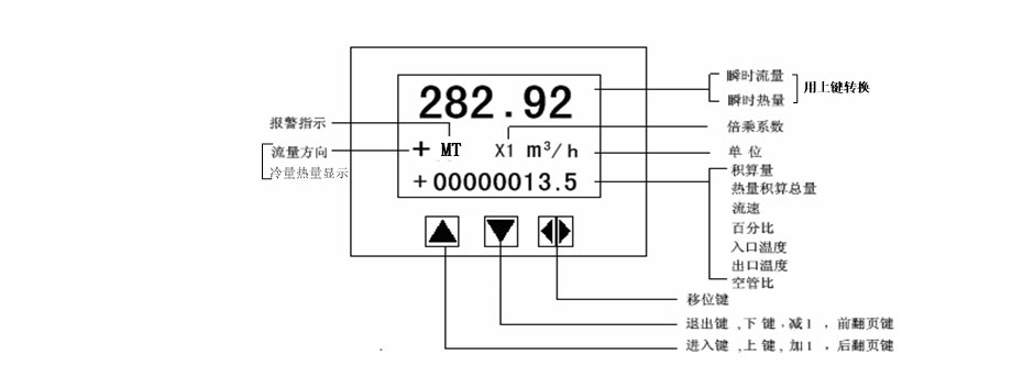
仪表上电时,自动进入测量状态
在自动测量状态下,仪表自动完成各测量功能并显示相应的测量数据
在参数设置状态下,用户使用三个面板键,完成仪表参数设置
产品名称:电磁式冷热量表
口 径:DN10-DN1000
输出信号:4~20ma
通讯方式:RS485,MODBUS协议
流速范围:0.1~15M/S(最大) 0.5~10M/S(常规)
电 极:不锈钢316L、哈氏合金(HB和HC)、钛、钽、铂
防护等级:IP65,IP68可定制
精度等级:1级 0.5级
供 电: 标准220V供电,可定制24V
公称压力:1.6MPA;1.0MPA
正确的产品选型及安装,可增加现场测量精度,延长仪器的使用寿命


为了服务好每一位新老客户,为了更好的“以客户为中心”,杭州美控已在全国设立了30多处办事处。我们将更好的服务带到您的身边,将中国过程自动化解决方案应用到每一位需要我们的用户家中。
本公司向用户承诺,本仪表供货时所应提供的硬件、附件在材质和制造工艺上都不存在任何缺陷。从仪表购买之日起开始计算,在质保期内,若收到用户关于此类缺陷的通知,
本公司对确实有缺陷的产品实行无条件免费维修或免费更换。本公司对所有记录仪产品一律保证7天包退1年保修,终身维修。
售后服务承诺:
1、客户的技术疑问,我们承诺在4个小时内处理完毕。
2、返厂维修的仪表我们承诺在3个工作日内出具检测结果,7个工作日内完成维修。
3、仪表返给客户之后2周之内对用户进行回访,并提供自动化相关技术的免费咨询。
售后服务承诺:
1、客户的技术疑问,我们承诺在4个小时内处理完毕。
2、返厂维修的仪表我们承诺在3个工作日内出具检测结果,7个工作日内完成维修。
3、仪表返给客户之后2周之内对用户进行回访,并提供自动化相关技术的免费咨询。










